エスコの人気商品ランキング
-
160円(税抜)EA928AD-197 ウェットシ-ト(20枚) -
250円(税抜)400ml スプレーボトル -
300円(税抜)112mLスプレーボトル -
240円(税抜)AC110/36W/E17電球ミニクリプトン(フロスト -
215円(税抜)EA928AJ-1C 400mmトイレブラシ -
220円(税抜)EA928AG-50 190x100x60mm浴槽洗イスポンジ -
775円(税抜)500ml スプレーボトル -
3,220円(税抜)4.0kg衣類用柔軟剤入洗剤(トップ・抗菌plus) -
3,250円(税抜)緊急トイレ用凝固剤(50回分) -
230円(税抜)EA638CS-2 60x6mmスプリングフック鉄
最近チェックした商品
-
7,360円(税抜)9.70x133mmストレートドリル(HSS/10本) -
2,330円(税抜)EA947AC-1 5x25mmスクリュ-プラグ -
3,920円(税抜)A100V・Rc1/4(4.00mm) 2方向電磁弁 -
3,920円(税抜)A200V・Rc1/4(4.00mm) 2方向電磁弁 -
845円(税抜)EA952SG-145 6.3x0.55/33.7引SpringSUS/5本 -
3,600円(税抜)#400/76x533mm研磨ベルト(10枚) -
585円(税抜)# 24・25x32mm/6mm軸 軸付砥石(A/ソフトType -
10,600円(税抜)20x520mmレジンベルト(#240/10本) -
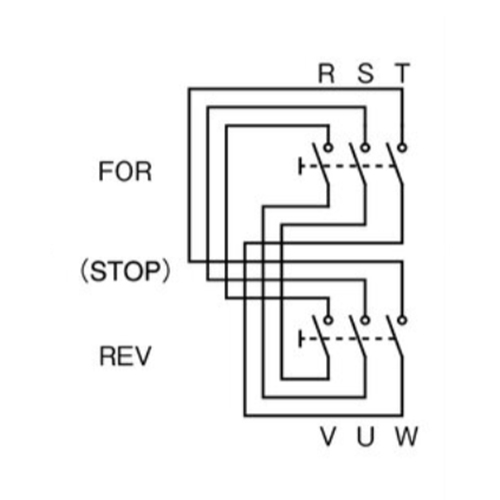
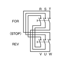
11,400円(税抜)EA940DF-92 三相押ボタン開閉器防雨可逆形















