エスコの人気商品ランキング
-
160円(税抜)EA928AD-197 ウェットシ-ト(20枚) -
190円(税抜)160x80x45mm浴そう洗いスポンジ -
160円(税抜)EA928AD-196 EA928AB-196用ドライシ-ト30枚 -
775円(税抜)500ml スプレーボトル -
250円(税抜)400ml スプレーボトル -
780円(税抜)AC100V/7.9W/E26 電球/LED(電球色/広配光) -
220円(税抜)EA928AG-57A バススポンジ(ネット入) -
475円(税抜)500ml スプレーボトル(PE) -
4,820円(税抜)[EA922KR-26A用]4.0kg洗濯用洗剤(詰替用) -
3,220円(税抜)4.0kg衣類用柔軟剤入洗剤(トップ・抗菌plus)
最近チェックした商品
-
1,490円(税抜)EA940DA-16 3ノッチセレクタ-スイッチ -
515円(税抜)7.0x45mmナットセッター(マグネット付) -
3,160円(税抜)EA440ER-57 455x920x0.1ステン巻板(粘着付) -
1,570円(税抜)EA819DN-2 2.0x45mmダイヤバ- R1.0mm/3mm軸 -
11,800円(税抜)EA440EG-0.1A 0.127x150/2.5mシム(アルミ製 -
760円(税抜)EA612AV-12 12mm電ドルソケット(ショート) -
460円(税抜)75mmx18Tジグソーブレード(2枚) -
1,210円(税抜)φ80mm/M10x1.5ワイヤーブラシ(カップ型) -
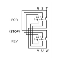
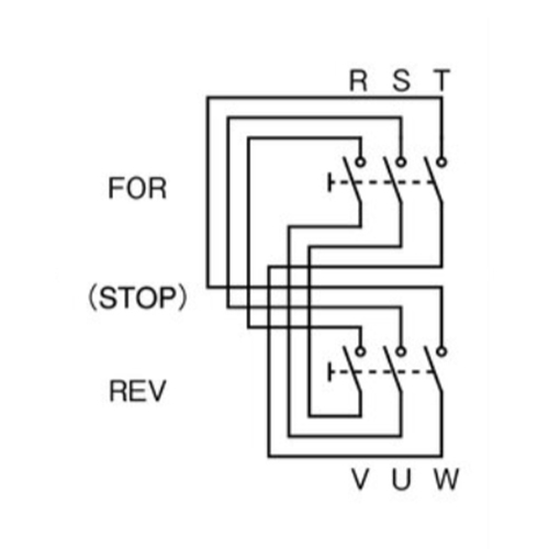
15,500円(税抜)EA940DF-93 三相押ボタン開閉器防雨可逆形















