エスコの人気商品ランキング
-
160円(税抜)EA928AD-197 ウェットシ-ト(20枚) -
190円(税抜)160x80x45mm浴そう洗いスポンジ -
250円(税抜)400ml スプレーボトル -
330円(税抜)EA928AS-9 60x125mm青色タワシ -
220円(税抜)EA928AG-50 190x100x60mm浴槽洗イスポンジ -
4,820円(税抜)[EA922KR-26A用]4.0kg洗濯用洗剤(詰替用) -
3,220円(税抜)4.0kg衣類用柔軟剤入洗剤(トップ・抗菌plus) -
775円(税抜)500ml スプレーボトル -
475円(税抜)500ml スプレーボトル(PE) -
990円(税抜)[M] 手袋(ポリエチレン/30枚)
最近チェックした商品
-
12,900円(税抜)75mmx36.5m/#180 研磨布ロール -
695円(税抜)EA724CD-23M (EA724CD-23用)交換ミラ- -
20,100円(税抜)1800g/44mm 真鍮ハンマー(グラスFiber柄) -
29,300円(税抜)ラミネーター LLMOPA3 ホワイト -
14,400円(税抜)EA164MA-4 1/2sqインパクトソケットセット -
9,330円(税抜)54x88mm作業用ミラー(マグネット付/2.5倍) -
2,680円(税抜)38in x300mm立バンド用取付足どぶめっき2コ -
18,600円(税抜)EA124DL-31 15/20mmx50mウォ-タ-ホ-ス糸入 -
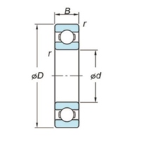
370円(税抜)[6201]深溝玉軸受















