エスコの人気商品ランキング
-
160円(税抜)EA928AD-197 ウェットシ-ト(20枚) -
190円(税抜)160x80x45mm浴そう洗いスポンジ -
250円(税抜)400ml スプレーボトル -
330円(税抜)EA928AS-9 60x125mm青色タワシ -
220円(税抜)EA928AG-50 190x100x60mm浴槽洗イスポンジ -
4,820円(税抜)[EA922KR-26A用]4.0kg洗濯用洗剤(詰替用) -
3,220円(税抜)4.0kg衣類用柔軟剤入洗剤(トップ・抗菌plus) -
775円(税抜)500ml スプレーボトル -
475円(税抜)500ml スプレーボトル(PE) -
990円(税抜)[M] 手袋(ポリエチレン/30枚)
最近チェックした商品
-
495円(税抜)40A/2.0mm内フランジパッキン耐熱耐蒸気10K -
4,110円(税抜)EA520CA-101 車輪(EA520CA-1用) -
915円(税抜)75x 75mm 角型保護キャップ(クロ/2コ) -
6,200円(税抜)T14Torxヘッド(9x12mmジョイント用) -
3,960円(税抜)1/2 inDRx34mmエルボコネクタスソケット -
7,590円(税抜)460x600mmポリ袋(500枚) -
131,000円(税抜)酸素・硫化水素濃度計(5mケーブル付) -
495円(税抜)EA951EA-277A 77x52x19mmコ型連結金具 -
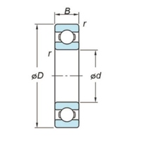
530円(税抜)[6204]深溝玉軸受















