エスコの人気商品ランキング
-
160円(税抜)EA928AD-197 ウェットシ-ト(20枚) -
190円(税抜)160x80x45mm浴そう洗いスポンジ -
250円(税抜)400ml スプレーボトル -
330円(税抜)EA928AS-9 60x125mm青色タワシ -
220円(税抜)EA928AG-50 190x100x60mm浴槽洗イスポンジ -
4,820円(税抜)[EA922KR-26A用]4.0kg洗濯用洗剤(詰替用) -
3,220円(税抜)4.0kg衣類用柔軟剤入洗剤(トップ・抗菌plus) -
775円(税抜)500ml スプレーボトル -
475円(税抜)500ml スプレーボトル(PE) -
990円(税抜)[M] 手袋(ポリエチレン/30枚)
最近チェックした商品
-
1,630円(税抜)70x102mm40角用アルミ旗丁番(右用) -
7,110円(税抜)77x 83mm 自由丁番(ステンレス製/2個) -
72,200円(税抜)1500x750x735mm/800kg ワークベンチ -
4,950円(税抜)660x368mmツールロール(25ポケット) -
855円(税抜)EA425JJ-12 12mmナット(PP/2個) -
19,300円(税抜)1000x1000x144mm/パレット・PP製 2枚 -
355円(税抜)EA951EA-272A 52x27x19mmコ型連結金具 -
1,780円(税抜)b_臭わない袋BOS 白色 Lサイズ90枚入 -
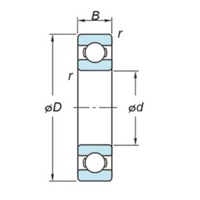
620円(税抜)[6205]深溝玉軸受















