エスコの人気商品ランキング
-
160円(税抜)EA928AD-197 ウェットシ-ト(20枚) -
190円(税抜)160x80x45mm浴そう洗いスポンジ -
250円(税抜)400ml スプレーボトル -
330円(税抜)EA928AS-9 60x125mm青色タワシ -
220円(税抜)EA928AG-50 190x100x60mm浴槽洗イスポンジ -
4,820円(税抜)[EA922KR-26A用]4.0kg洗濯用洗剤(詰替用) -
3,220円(税抜)4.0kg衣類用柔軟剤入洗剤(トップ・抗菌plus) -
775円(税抜)500ml スプレーボトル -
475円(税抜)500ml スプレーボトル(PE) -
990円(税抜)[M] 手袋(ポリエチレン/30枚)
最近チェックした商品
-
295円(税抜)EA366MJ-5 [仕上] スポンジ研磨材(1枚) -
11,300円(税抜)EA927CJ-1 52.4Lキャリーバッグボストン -
13,000円(税抜)[EA770TB-11/-21用]ACアダプタ -
355円(税抜)EA951EA-323A 25x70mm連結金具 -
5,370円(税抜)EA916JC-21 1.42x57mm縫針25本 -
2,320円(税抜)1401x110mm落下防止サイドバー -
2,240円(税抜)ジョイントクリップ CX-30 透明 100個 -
18,200円(税抜)アートパネル A-rto M LM-AM-201L IV -
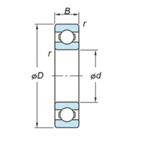
5,050円(税抜)[6216]深溝玉軸受















