エスコの人気商品ランキング
-
160円(税抜)EA928AD-197 ウェットシ-ト(20枚) -
190円(税抜)160x80x45mm浴そう洗いスポンジ -
250円(税抜)400ml スプレーボトル -
330円(税抜)EA928AS-9 60x125mm青色タワシ -
220円(税抜)EA928AG-50 190x100x60mm浴槽洗イスポンジ -
4,820円(税抜)[EA922KR-26A用]4.0kg洗濯用洗剤(詰替用) -
3,220円(税抜)4.0kg衣類用柔軟剤入洗剤(トップ・抗菌plus) -
775円(税抜)500ml スプレーボトル -
475円(税抜)500ml スプレーボトル(PE) -
990円(税抜)[M] 手袋(ポリエチレン/30枚)
最近チェックした商品
-
9,760円(税抜)EA934ZA-33 φ43mm UPパッチ( 50枚) -
2,280円(税抜)EA164EB-21 3/4sqx21mmインパクトソケット -
9,000円(税抜)EA858HE-49D 10x20mmEA858HEダイス長穴厚板 -
660円(税抜)EA948TD-20 80x240x40mm ハンドルカバ- -
22,300円(税抜)EA125BW-30 6.0/10.0x30高圧ホースカプラー -
8,074円(税抜)※b_エマージェンシークッキーチョコ20袋 -
34,818円(税抜)トナーカートリッジC840Hシアン600634 -
3,560円(税抜)152x41x13mm油砥石(中目) -
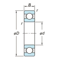
7,630円(税抜)[6218]深溝玉軸受















