エスコの人気商品ランキング
-
160円(税抜)EA928AD-197 ウェットシ-ト(20枚) -
190円(税抜)160x80x45mm浴そう洗いスポンジ -
250円(税抜)400ml スプレーボトル -
330円(税抜)EA928AS-9 60x125mm青色タワシ -
220円(税抜)EA928AG-50 190x100x60mm浴槽洗イスポンジ -
4,820円(税抜)[EA922KR-26A用]4.0kg洗濯用洗剤(詰替用) -
3,220円(税抜)4.0kg衣類用柔軟剤入洗剤(トップ・抗菌plus) -
775円(税抜)500ml スプレーボトル -
475円(税抜)500ml スプレーボトル(PE) -
990円(税抜)[M] 手袋(ポリエチレン/30枚)
最近チェックした商品
-
6,180円(税抜)100mmx15m/#240 研磨紙ロール(乾・湿式) -
5,680円(税抜)EA124DL-45 6/8mmx100mビニールホース -
1,290円(税抜)EA140HG-103 10mmxR3/8T型ユニオン(2個) -
8,300円(税抜)EA967CN-78 CN78省エネタイプVベルト -
435円(税抜)EA951EB-117A 37x37x45mm連結金具 -
4,300円(税抜)バンブーステッキワイド ワインレッド -
3,000円(税抜)3/8 inDRx12mm超ロングソケット -
655円(税抜)EA140HM-121 12-10mmx2Y型ユニオン -
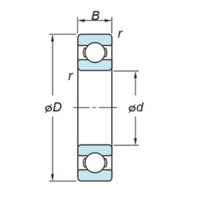
710円(税抜)[6903]深溝玉軸受















