エスコの人気商品ランキング
-
160円(税抜)EA928AD-197 ウェットシ-ト(20枚) -
190円(税抜)160x80x45mm浴そう洗いスポンジ -
160円(税抜)EA928AD-196 EA928AB-196用ドライシ-ト30枚 -
265円(税抜)400ml スプレーボトル -
1,110円(税抜)EA922AL-3 排水口水切リネット(100枚) -
3,420円(税抜)4.0kg衣類用柔軟剤入洗剤(トップ・抗菌plus) -
210円(税抜)EA928AG-57A バススポンジ(ネット入) -
575円(税抜)140x200mm ポリ袋(チャック付/100枚) -
620円(税抜)EA928AJ-4 385mmトイレブラシ -
160円(税抜)EA928AS-27 80x150抗菌ウレタンスポンジ
最近チェックした商品
-
8,690円(税抜)EA986GL-21キャスタ自在 ブレ-キ/耐熱100mm -
3,840円(税抜)594x394x291/宅配140サイズダンボール(10枚 -
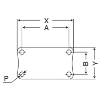
395円(税抜)EA986PT-1 50mmキャスタ-(固定金具付) -
560円(税抜)50mmx50mクラフトテープ(緑) -
11,500円(税抜)■脚折りたたみテーブルDN-1W ホワイト棚無 -
715円(税抜)EA986PT-101 65mmキャスタ-(自在金具付) -
705円(税抜)EA986PF-61 65mm キャスタ-(自在金具付) -
15,500円(税抜)会議イス MC-4 GR 固定脚 -
1,290円(税抜)50mm キャスター(固定金具付・低床重荷重)















