JavaScript を有効にしてご利用下さい.
サービス向上及びお電話の内容を正確に承るため、通話の録音をさせて頂きます。あらかじめご了承ください。
40mm キャスター(固定金具付)
販売価格: 250 円 (税抜) 275 円 (税込)
販売単位: 1個
欲しいものリストに追加しました。
● 標準小売価格: 250 円 (税抜)
● 販売価格: 250 円 (税抜)
275 円 (税込)
税率:10%
商品コード: EG2593
メーカー: ナンシン (42279)
JANコード: 4550061551608
品番: EA986PT-301
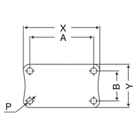
●メーカー…ナンシン●型番…KD-40RM●仕様…固定●耐荷重…30kg●始動力…7.65daN●車輪径×幅…40×18mm●取付高…56mm●取付ピッチ…45×25mm●プレートサイズ…55×40mm●取付穴径…5.2mm●材質…車輪:ゴム金具:スチール(ユニクロメッキ)●あらゆる分野で調和するシンプルなデザインで、取り付ける本体を選びません。●RoHS対応品●参考在庫数・商品詳細・サイズ情報はメーカー(参考)URLからもご確認いただけます。