JavaScript を有効にしてご利用下さい.
サービス向上及びお電話の内容を正確に承るため、通話の録音をさせて頂きます。あらかじめご了承ください。
150キャスター自在金具ブレーキ付SUS製
販売価格: 10,300 円 (税抜) 11,330 円 (税込)
販売単位: 1個
欲しいものリストに追加しました。
● 標準小売価格: 10,300 円 (税抜)
● 販売価格: 10,300 円 (税抜)
11,330 円 (税込)
税率:10%
商品コード: EG2613
メーカー: ナンシン (42279)
JANコード: 4550061501733
品番: EA986PT-525
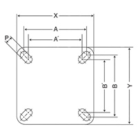
●メーカー…ナンシン●型番…SU-STC-150NB S-2●仕様…自在ストッパー付●耐荷重…160kg●始動力…4.80daN●旋回始動力…33.60daN●車輪径×幅…150×35mm●取付高…190mm●取付ピッチ…80×80mm(75×75mm)●プレートサイズ…102×102mm●取付穴径…11mm●偏心…40mm●旋回半径…127mm●材質…金具:ステンレス(SUS304)車輪:ナイロン・白(ベアリング入り)●キャスター金具はオールステンレス製で、錆を嫌うクリーンな環境での使用に最適です。●べアリング入り●ストッパーは、車輪の回転を止めるストッパーです。●RoHS対応品●参考在庫数・商品詳細・サイズ情報はメーカー(参考)URLからもご確認いただけます。