エスコの人気商品ランキング
-
160円(税抜)EA928AD-197 ウェットシ-ト(20枚) -
190円(税抜)160x80x45mm浴そう洗いスポンジ -
250円(税抜)400ml スプレーボトル -
330円(税抜)EA928AS-9 60x125mm青色タワシ -
220円(税抜)EA928AG-50 190x100x60mm浴槽洗イスポンジ -
4,820円(税抜)[EA922KR-26A用]4.0kg洗濯用洗剤(詰替用) -
3,220円(税抜)4.0kg衣類用柔軟剤入洗剤(トップ・抗菌plus) -
775円(税抜)500ml スプレーボトル -
475円(税抜)500ml スプレーボトル(PE) -
990円(税抜)[M] 手袋(ポリエチレン/30枚)
最近チェックした商品
-
1,780円(税抜)EA637FA-63 M10/呼10/63mmTスロットボルト -
7,980円(税抜)タッチペン リチウム充電 P-TPACSTEN02YL -
1,720円(税抜)EA109NE-61 100mm(6mm)ローラー刷毛セット -
92,600円(税抜)フリースタイルテーブル MR-2412SQH NA/BK -
5,570円(税抜)EA996DV-1 Mクリーンルーム用上着(白) -
42,900円(税抜)EA613B-70 70mm片口メガネレンチ -
1,830円(税抜)EA951CK-89 89x56mm厚口丁番(2個) -
1,720円(税抜)R1/4(Φ 8mm) スピードコントローラー -
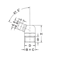
600円(税抜)G 1/8in グリ-スニップル(67.5°/5個)















