エスコの人気商品ランキング
-
160円(税抜)EA928AD-197 ウェットシ-ト(20枚) -
190円(税抜)160x80x45mm浴そう洗いスポンジ -
160円(税抜)EA928AD-196 EA928AB-196用ドライシ-ト30枚 -
775円(税抜)500ml スプレーボトル -
250円(税抜)400ml スプレーボトル -
780円(税抜)AC100V/7.9W/E26 電球/LED(電球色/広配光) -
220円(税抜)EA928AG-57A バススポンジ(ネット入) -
475円(税抜)500ml スプレーボトル(PE) -
4,820円(税抜)[EA922KR-26A用]4.0kg洗濯用洗剤(詰替用) -
3,220円(税抜)4.0kg衣類用柔軟剤入洗剤(トップ・抗菌plus)
最近チェックした商品
-
107,400円(税抜)EA115GA-14A 10.7m/7.9mmフレキシシャフト -
240円(税抜)EA949JC-880 M8x80高強度高張力六角BOLT2個 -
10,100円(税抜)EA153C-42 Rc1/8精密エアーレギュレーター -
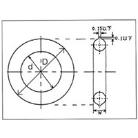
700円(税抜)25x52x10mmオイルシール(タイプ4/ニトリル) -
555円(税抜)S-48オーリング(フッ素ゴム/固定用/2個) -
2,220円(税抜)11.0x65mmナットセッター -
12,500円(税抜)EA952SA-212 21x4.0/1.0m引キスプリング -
29,700円(税抜)EA988AB-5 0.25tonx5mレバ-ホイスト -
365円(税抜)S-22オーリング(ニトリル2種/固定用/5個)















