エスコの人気商品ランキング
-
160円(税抜)EA928AD-197 ウェットシ-ト(20枚) -
250円(税抜)400ml スプレーボトル -
190円(税抜)160x80x45mm浴そう洗いスポンジ -
160円(税抜)EA928AD-196 EA928AB-196用ドライシ-ト30枚 -
780円(税抜)AC100V/7.9W/E26 電球/LED(電球色/広配光) -
475円(税抜)500ml スプレーボトル(PE) -
4,820円(税抜)[EA922KR-26A用]4.0kg洗濯用洗剤(詰替用) -
3,220円(税抜)4.0kg衣類用柔軟剤入洗剤(トップ・抗菌plus) -
775円(税抜)500ml スプレーボトル -
220円(税抜)EA928AG-57A バススポンジ(ネット入)
最近チェックした商品
-
11,700円(税抜)EA846Z-120 #120ダイヤモンド砥石(ガラス用 -
9,430円(税抜)EA950XH 微調整アタッチメント -
32,300円(税抜)アートパネル A-rto K LM-AK-403 朱 -
62,600円(税抜)450/55mmモンキーレンチ(ノンスパーキング) -
1,540円(税抜)EA572CJ-5 50x230mm フラットチゼル -
14,391円(税抜)トナーカートリッジTNR-C4HY2 イエロー -
4,700円(税抜)1/2DRx12mm Soket(NonSparking) -
12,300円(税抜)250mm/30mmモンキーレンチ(絶縁グリップ) -
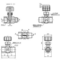
2,220円(税抜)R3/8 inxRc3/8 inニードルバルブ















