エスコの人気商品ランキング
-
160円(税抜)EA928AD-197 ウェットシ-ト(20枚) -
190円(税抜)160x80x45mm浴そう洗いスポンジ -
160円(税抜)EA928AD-196 EA928AB-196用ドライシ-ト30枚 -
265円(税抜)400ml スプレーボトル -
3,420円(税抜)4.0kg衣類用柔軟剤入洗剤(トップ・抗菌plus) -
210円(税抜)EA928AG-57A バススポンジ(ネット入) -
1,110円(税抜)EA922AL-3 排水口水切リネット(100枚) -
575円(税抜)140x200mm ポリ袋(チャック付/100枚) -
215円(税抜)EA928AG-56 ネット入スポンジ(3個) -
160円(税抜)EA928AS-27 80x150抗菌ウレタンスポンジ
最近チェックした商品
-
6,670円(税抜)EA575WV-34 600g/φ40x360mmアルミハンマー -
250円(税抜)EA949LX-206 M6平ワッシャーステンレス19枚 -
1,609円(税抜)PMマグネットバー310mm透明 MB-495-T 5個 -
680円(税抜)EA951EV-31 19mmパイプジョイン三方エルボ -
3,800円(税抜)EA440BJ-65 65A ステン鋼管用床バンド -
3,610円(税抜)リサイクルトナーCRG-329 BK再生 -
525円(税抜)45x60x 6mm オイルシール(G/ニトリル) -
1,178円(税抜)ネーム9 XL-9 2349 村吉 -
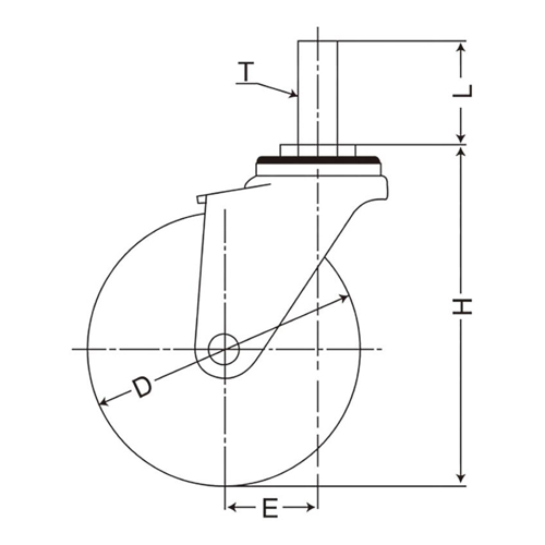
8,460円(税抜)φ150ブレーキキャスター(ゴム)















