Loading...

欲しいものリストに追加しました。

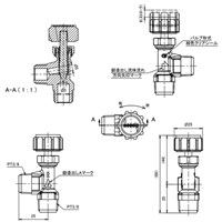
R3/8 inxR3/8 inニードルバルブ(アングル型

エスコ直送品

● 標準小売価格: 2,220 円 (税抜)

● 販売価格: 2,220 円 (税抜)

2,442 円 (税込)

税率:10%

商品コード: EM3250

JANコード: 4550061623718

品番: EA426DS-33A


最近チェックした商品

商品レビュー

ページの先頭に戻る