エスコの人気商品ランキング
-
160円(税抜)EA928AD-197 ウェットシ-ト(20枚) -
190円(税抜)160x80x45mm浴そう洗いスポンジ -
250円(税抜)400ml スプレーボトル -
330円(税抜)EA928AS-9 60x125mm青色タワシ -
220円(税抜)EA928AG-50 190x100x60mm浴槽洗イスポンジ -
3,220円(税抜)4.0kg衣類用柔軟剤入洗剤(トップ・抗菌plus) -
775円(税抜)500ml スプレーボトル -
4,820円(税抜)[EA922KR-26A用]4.0kg洗濯用洗剤(詰替用) -
475円(税抜)500ml スプレーボトル(PE) -
990円(税抜)[M] 手袋(ポリエチレン/30枚)
最近チェックした商品
-
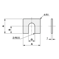
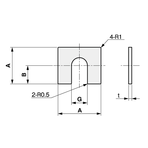
2,950円(税抜)16x 0.50mm ストリッパボルトシム(S/25コ) -
330円(税抜)EA949ML-410 M4x10mmフランジボタンCapBolt -
220円(税抜)EA949TF-312 M3x12皿頭小ネジ(SUS黒色30本) -
240円(税抜)EA949LX-203 M3平ワッシャーステンレス64枚 -
150円(税抜)EA423RK-24 V-24オーリング真空フランジ5個 -
1,900円(税抜)EA945BA-125 M12x150mm雄ネジアンカー(4本) -
390円(税抜)M12x16mm小形六角ボルト全ねじ(鉄/4本) -
225円(税抜)EA945BA-61 M6x45mm雄ネジアンカー(4本) -
13,200円(税抜)68x 68x1.0 mm ベース用シム(真鍮製/10枚)















