エスコの人気商品ランキング
-
160円(税抜)EA928AD-197 ウェットシ-ト(20枚) -
190円(税抜)160x80x45mm浴そう洗いスポンジ -
250円(税抜)400ml スプレーボトル -
330円(税抜)EA928AS-9 60x125mm青色タワシ -
220円(税抜)EA928AG-50 190x100x60mm浴槽洗イスポンジ -
4,820円(税抜)[EA922KR-26A用]4.0kg洗濯用洗剤(詰替用) -
3,220円(税抜)4.0kg衣類用柔軟剤入洗剤(トップ・抗菌plus) -
775円(税抜)500ml スプレーボトル -
475円(税抜)500ml スプレーボトル(PE) -
990円(税抜)[M] 手袋(ポリエチレン/30枚)
最近チェックした商品
-
1,880円(税抜)100mm/11枚組[オフセット型]シクネスゲージ -
21,000円(税抜)[EA929DH-32用]替エパッド -
2,300円(税抜)[6210ZZ]深溝玉軸受 -
2,660円(税抜)EA109NC-101 175x355mmローラー刷毛(仕上) -
4,920円(税抜)EA124DC-62 6/11x20m工業用ホース -
1,200円(税抜)65-73mm TボルトコンスタントTensionClamp -
14,700円(税抜)300x100mm空気入りタイヤ(スチールホイール -
17,700円(税抜)EA575WT-170 φ 70mm/1800g 無反動ハンマ- -
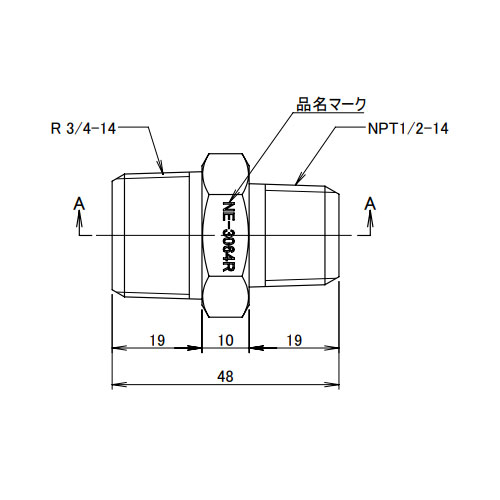
2,550円(税抜)R3/4 inxNPT1/2 in異径六角ニップル(真鍮製















