エスコの人気商品ランキング
-
160円(税抜)EA928AD-197 ウェットシ-ト(20枚) -
190円(税抜)160x80x45mm浴そう洗いスポンジ -
250円(税抜)400ml スプレーボトル -
330円(税抜)EA928AS-9 60x125mm青色タワシ -
220円(税抜)EA928AG-50 190x100x60mm浴槽洗イスポンジ -
4,820円(税抜)[EA922KR-26A用]4.0kg洗濯用洗剤(詰替用) -
3,220円(税抜)4.0kg衣類用柔軟剤入洗剤(トップ・抗菌plus) -
775円(税抜)500ml スプレーボトル -
475円(税抜)500ml スプレーボトル(PE) -
990円(税抜)[M] 手袋(ポリエチレン/30枚)
最近チェックした商品
-
99,300円(税抜)150mmロータリーテーブル 縦・横兼用 -
3,050円(税抜)3/4 inDRx100mmエクステンションバー -
1,390円(税抜)EA682SB-3A 32-80mm穴用プライヤ- -
1,540円(税抜)窓付封筒長3白ケント100枚テープ付 P029J-W -
1,130円(税抜)255mm ハンマー・木柄(25/30mm用) -
3,090円(税抜)EA162KS-120 #120/50mm ディスクペーパー -
495円(税抜)EA611GG-5A T10x65mmドライバ-ビット -
69,800円(税抜)片袖机ダイヤル錠 UJ-127A-3D T2/W4 W1200 -
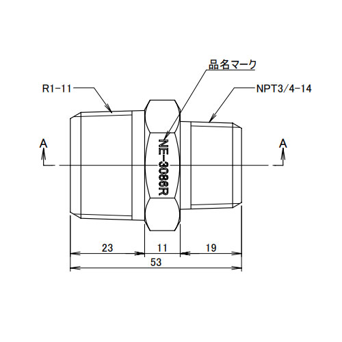
3,520円(税抜)R1 inxNPT3/4 in 異径六角ニップル(真鍮製)















