エスコの人気商品ランキング
-
160円(税抜)EA928AD-197 ウェットシ-ト(20枚) -
190円(税抜)160x80x45mm浴そう洗いスポンジ -
250円(税抜)400ml スプレーボトル -
330円(税抜)EA928AS-9 60x125mm青色タワシ -
220円(税抜)EA928AG-50 190x100x60mm浴槽洗イスポンジ -
4,820円(税抜)[EA922KR-26A用]4.0kg洗濯用洗剤(詰替用) -
3,220円(税抜)4.0kg衣類用柔軟剤入洗剤(トップ・抗菌plus) -
775円(税抜)500ml スプレーボトル -
475円(税抜)500ml スプレーボトル(PE) -
990円(税抜)[M] 手袋(ポリエチレン/30枚)
最近チェックした商品
-
435円(税抜)EA951EB-117A 37x37x45mm連結金具 -
4,300円(税抜)バンブーステッキワイド ワインレッド -
3,000円(税抜)3/8 inDRx12mm超ロングソケット -
6,180円(税抜)100mmx15m/#180 研磨紙ロール(乾・湿式) -
3,020円(税抜)EA164EB-36 3/4sqx36mmインパクトソケット -
2,390円(税抜)EA982BA-30A 25mmx4.5m荷締ストラップ(オレ -
430,000円(税抜)20.4L 超音波洗浄機 -
460円(税抜)127x25mm/細目 研磨ブロック アングル -
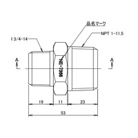
6,830円(税抜)R3/4 inxNPT 1 in異径六角ニップル(SUS製)















