エスコの人気商品ランキング
-
160円(税抜)EA928AD-197 ウェットシ-ト(20枚) -
190円(税抜)160x80x45mm浴そう洗いスポンジ -
160円(税抜)EA928AD-196 EA928AB-196用ドライシ-ト30枚 -
775円(税抜)500ml スプレーボトル -
250円(税抜)400ml スプレーボトル -
780円(税抜)AC100V/7.9W/E26 電球/LED(電球色/広配光) -
220円(税抜)EA928AG-57A バススポンジ(ネット入) -
475円(税抜)500ml スプレーボトル(PE) -
4,820円(税抜)[EA922KR-26A用]4.0kg洗濯用洗剤(詰替用) -
3,220円(税抜)4.0kg衣類用柔軟剤入洗剤(トップ・抗菌plus)
最近チェックした商品
-
850円(税抜)0.254mm/7/8x1・3/8 アーバーシム 10枚 -
10,900円(税抜)EA819VL-1B 12x25x175/6mm軸Coated超硬バ- -
4,810円(税抜)EA125CA-3 5.0/8.0x3ウレタンホース -
4,560円(税抜)48mm バイメタルホールソー(六角軸) -
13,100円(税抜)12x12.0x100mm ダイヤモンドバー(10mm軸) -
19,400円(税抜)0.762mm プラスチックシム(コーラル/10枚) -
550円(税抜)EA109SE-30 30x450mmチューブブラシ(馬毛) -
1,300円(税抜)# 40/100mm フラップディスク(セラミック) -
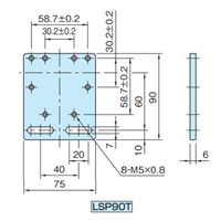
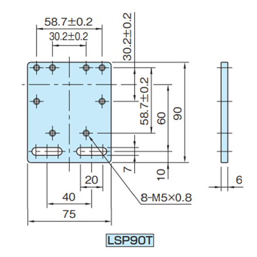
1,410円(税抜)EA949RR-5 リミットスイッチブラケット















