エスコの人気商品ランキング
-
160円(税抜)EA928AD-197 ウェットシ-ト(20枚) -
190円(税抜)160x80x45mm浴そう洗いスポンジ -
250円(税抜)400ml スプレーボトル -
330円(税抜)EA928AS-9 60x125mm青色タワシ -
220円(税抜)EA928AG-50 190x100x60mm浴槽洗イスポンジ -
4,820円(税抜)[EA922KR-26A用]4.0kg洗濯用洗剤(詰替用) -
3,220円(税抜)4.0kg衣類用柔軟剤入洗剤(トップ・抗菌plus) -
775円(税抜)500ml スプレーボトル -
475円(税抜)500ml スプレーボトル(PE) -
990円(税抜)[M] 手袋(ポリエチレン/30枚)
最近チェックした商品
-
3,330円(税抜)51x80x96mm着脱式ツールホルダー(カラビナ) -
2,610円(税抜)EA318AG-2.6 φ2.6mm/ 500g 溶接棒 -
1,100円(税抜)T30x89mm[Torx]ドライバービット(SUS製) -
360円(税抜)セーフティーXフック 小 バネ付 N040-07324 -
1,178円(税抜)ネーム9 XL-9 1133 鯉沼 -
1,820円(税抜)EA952AL-2 450x500/18x16メッシュ網(アルミ -
1,350円(税抜)EA976AJ-47 メタルラック用バスケット -
770円(税抜)M65x2.0ベアリングナット(AN13) -
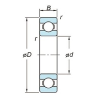
405円(税抜)[6000]深溝玉軸受















