エスコの人気商品ランキング
-
160円(税抜)EA928AD-197 ウェットシ-ト(20枚) -
190円(税抜)160x80x45mm浴そう洗いスポンジ -
250円(税抜)400ml スプレーボトル -
330円(税抜)EA928AS-9 60x125mm青色タワシ -
220円(税抜)EA928AG-50 190x100x60mm浴槽洗イスポンジ -
4,820円(税抜)[EA922KR-26A用]4.0kg洗濯用洗剤(詰替用) -
3,220円(税抜)4.0kg衣類用柔軟剤入洗剤(トップ・抗菌plus) -
775円(税抜)500ml スプレーボトル -
475円(税抜)500ml スプレーボトル(PE) -
990円(税抜)[M] 手袋(ポリエチレン/30枚)
最近チェックした商品
-
1,460円(税抜)EA425AG-12 Rc1/4xR 1/4ミニボールバルブ -
11,100円(税抜)EA949VG-7A 7/16-14UNCリコイルキット -
6,800円(税抜)EA858HE-1D 6.0mmEA858HE用ダイス丸穴薄板 -
1,710円(税抜)150x230mm/#400ハンドパット(5枚) -
28,700円(税抜)EA993MA-2 908kg工業用ジャッキ -
960円(税抜)[EA991HB-105A-124A用] 給油ノズル口金 -
13,700円(税抜)360x270x210mm/11L収納ケース(10個) -
775円(税抜)EA109AW-1 プラスチックハンドルブラシ -
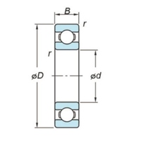
470円(税抜)[6300]深溝玉軸受















